Page top

D4NH

小型安全鉸鏈門開關

D4NH

合乎機械等省空間化要求, 樹脂製小型安全鉸鏈門開關

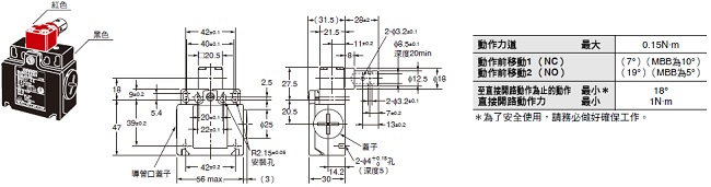
(單位:mm)

單導管旋軸型

D4NH-1[]AS型 D4NH-2 []AS型
D4NH-4
[]AS型

1501_dm_1

雙導管旋軸型

D4NH-6 []AS型 D4NH-8 []AS型

1501_dm_2

單導管臂桿型

D4NH-1 []BC型 D4NH-2 []BC型
D4NH-4[]BC型
1501_dm_3

雙導管臂桿型

D4NH-6 []BC型 D4NH-8 []BC型

1501_dm_4

註1. 上述各機種之外觀尺寸圖中,未指定部分之尺寸公差為±0.4mm。
    2. 2極以上(2NC、2NC/1NO、3NC)的接點開路、閉路動作的同步性有所差異,使用時請確認。