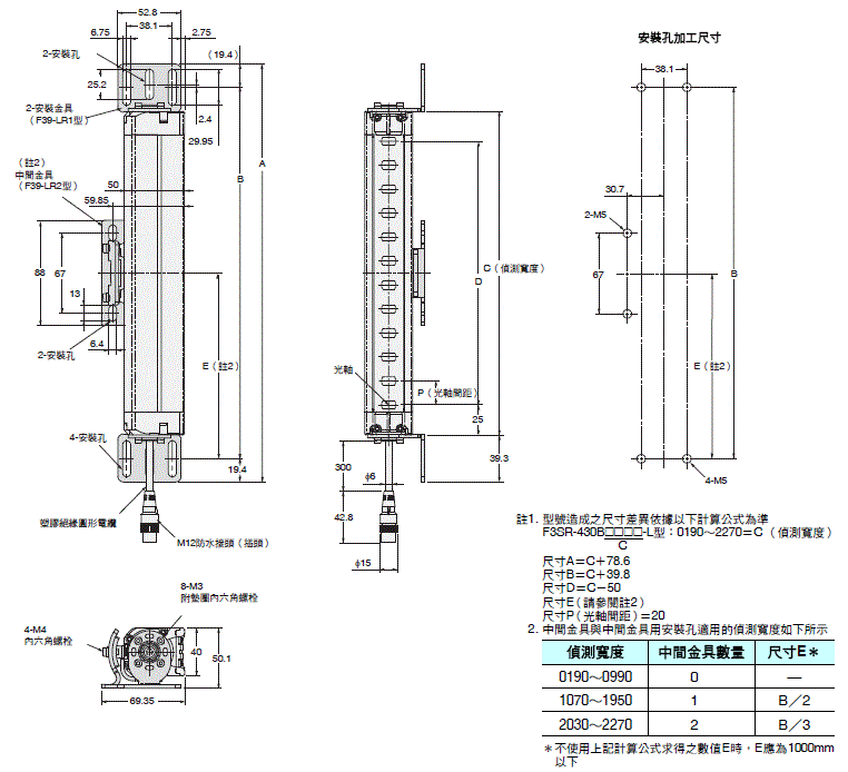
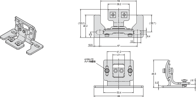
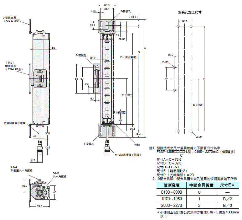
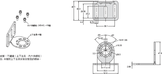
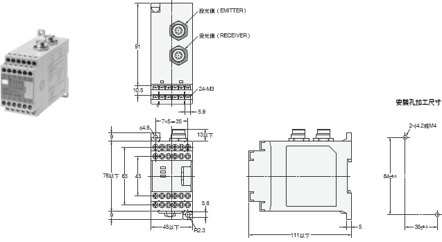
(單位:mm)
安全光柵
此頁記載內容是在依據停產前商品型錄內刊載的資訊,包括商品的特點 /價格 /對應規格 /選購品等,可能會和現狀有所出入。請在選購前再次確認系統的適用性及安全性。
更新日期 2015年8月8日
(單位:mm)



更新日期 2015年8月8日