(單位:mm)
高容量基本開關
更新日期 2015年12月8日
(單位:mm)
註1. 端子螺絲的適當鎖緊扭矩為0.78~1.18N·m。
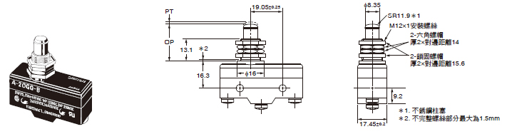
2. 上記各機種外觀尺寸中,未指定部分的尺寸公差為±0.4mm
型號、圖例、圖面皆以螺絲端子型為例。(註. 已省略的尺寸則與柱塞型相同)

註. 上記各機種外觀尺寸中,未指定部分的尺寸公差為±0.4mm。
更新日期 2015年12月8日