Page top

KM-PM

Power Monitor

KM-PM

38 mm-wide Ethernet Power Monitor for Global Control Panel Integration

(單位:mm)

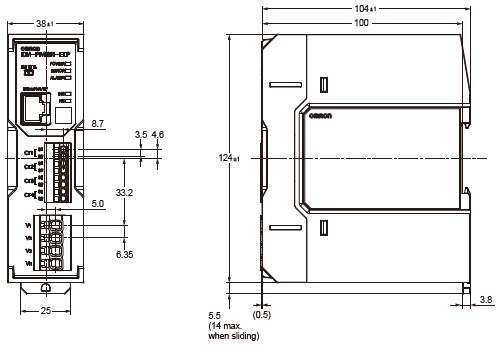
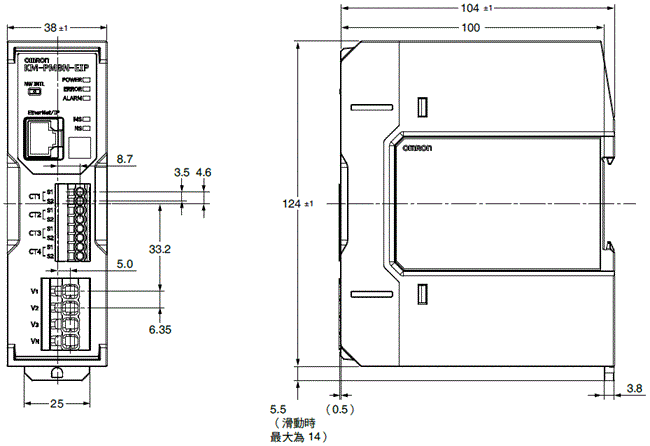
Main unit

KM-PMBN-EIP

KM-PM 外觀尺寸 2

Dedicated CT

KM-PCBE005

KM-PM 外觀尺寸 4

KM-PCBE050

KM-PM 外觀尺寸 5

KM-PCBE100

KM-PM 外觀尺寸 6

KM-PCBE200

KM-PM 外觀尺寸 7

KM-PCBE400
KM-PCBE600

KM-PM 外觀尺寸 8

Note: 1. KM-PCBE600 is only available in certain regions.
Note: 2. The CT with a 600 A rating (KM-PCBE600) does not support safety standard certification, including UL/CSA certification.

CT-supplied cable

KM-PM 外觀尺寸 10

Note: The CT-supplied cable is attached to the CT.

Optional Products for DIN Track Mounting

DIN Tracks

PFP-100N
PFP-50N

KM-PM 外觀尺寸 14

End Plate

PFP-M

KM-PM 外觀尺寸 16