Page top
Taiwan
聯絡我們
型錄索取
會員中心
歡迎
登入 / 加入會員
會員中心
我的頁面
我的歷程
我的報名
我的購物
我的維修
會員資料
登出
Global Navigation
Home
產品資訊
產品資訊TOP
感測器
開關
安全元件
繼電器
控制元件
FA系統裝置
運動/驅動
機器人
節能/環保檢測裝置
電源/周邊/其他
感測器 產品分類列表
光纖感測器
光電感測器
變位感測器/測長感測器
影像感測器
讀碼機/OCR
近接感測器
光電素子
旋轉編碼器
超音波感測器
壓力感測器
振動感測器/漏液感測器/其他感測器
開關 產品分類列表
液位控制器
微動開關
限動開關
按鈕開關/指示燈
指撥開關
安全元件 產品分類列表
安全感測器
安全門開關
安全限動開關
緊急停止按鈕開關
安全開關
安全繼電器
安全應用控制器
繼電器 產品分類列表
一般繼電器
端子繼電器
固態繼電器
電力調整器
控制元件 產品分類列表
溫度控制器
計時器/定時開關
計數器
凸輪測量器
數位控制電錶
可程式繼電器
FA系統裝置 產品分類列表
機械自動化控制器
可程式控制器
軟體
週邊工具
網路設備
無線設備
可程式化終端機
IT產品
RFID系統
運動/驅動 產品分類列表
機械自動化控制器
變頻器
伺服馬達/伺服驅動器
運動/位置控制單元
機器人 產品分類列表
工業機器人
移動機器人
節能/環保檢測裝置 產品分類列表
電量監測
EQUO環境感測器
數據資料收集器
監控/分析軟體
空氣清淨裝置
電源/周邊/其他 產品分類列表
電源
軸流風扇
UV-LED照射器
防止靜電裝置
電力、機器用保護機器
數位顯示模組
連接/省配線裝置
感測器I/O連接器/感測器控制器
共用插座/DIN鋁軌/防水保護蓋
解決方案
解決方案TOP
商品主題
影音頻道
規格選型
技術指南
應用事例
SYSMAC解決方案
控制盤 (Panel Assist Web)
支援服務
支援服務TOP
自動化學院
影音教學
客服中心
線上客服
商品維修
型錄索取
關於我們
關於我們TOP
OMRON集團
台灣OMRON
台灣經銷網路
企業理念
工作機會
世界據點
聯絡我們
聯絡我們TOP
聯絡我們
兩岸顧客服務區
日系企業服務區
網路商店
網路商店TOP
網路商店
購物說明
購物Q&A
線上客服
Home
>
產品資訊
>
產品類別
>
感測器
>
旋轉編碼器
>
方向辨別模組
>
E63-WF
E63-WF
方向辨別模組
辨別旋轉編碼器的旋轉方向
應用事例
相關資訊
規格選型
注意事項
技術指南
型式索引
規格認証/查詢
Rohs對應/查詢
停產商品/推薦替代
特長
種類
額定/性能
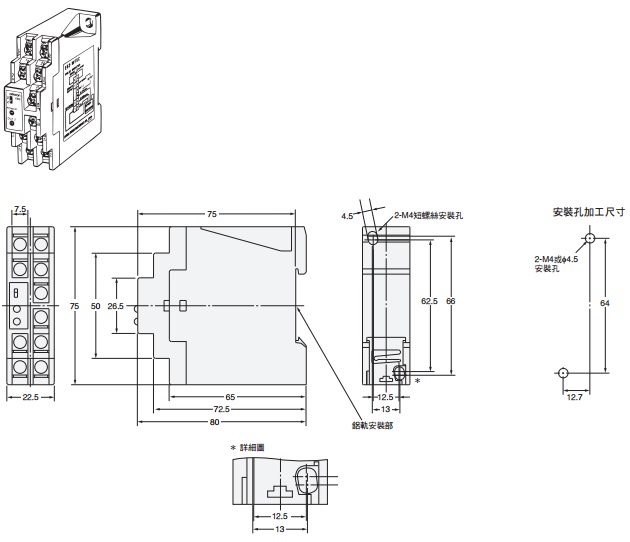
外觀尺寸
型錄/操作手冊/CAD/軟體
更新日期 2015年8月8日
(單位:mm)
無指定尺寸公差:公差等級 IT16
E63-WF型
更新日期 2015年8月8日
產品類別
感測器
旋轉編碼器
方向辨別模組
E63-WF
Top of page