Page top

2024/09 停產商品

E8F2

數位壓力感測器

E8F2

附LED顯示器的壓力感測器,提升辨識性

此頁記載內容是在依據停產前商品型錄內刊載的資訊,包括商品的特點 /價格 /對應規格 /選購品等,可能會和現狀有所出入。請在選購前再次確認系統的適用性及安全性。

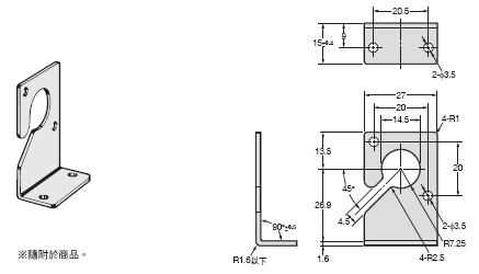
(單位:mm)

E8F2型

E8F2 外觀尺寸 1

選購品(另售)

安裝金具

E89-F3型

506_dm_2

面板安裝支架

E89-F4型

506_dm_3