Page top

2020/12 停產商品

E8Y

壓力指示器

E8Y

附數位顯示的微壓用壓力感測器, 提升了辨識性

此頁記載內容是在依據停產前商品型錄內刊載的資訊,包括商品的特點 /價格 /對應規格 /選購品等,可能會和現狀有所出入。請在選購前再次確認系統的適用性及安全性。

(單位:mm)

標準連接埠(導壓部φ4.5)類型

E8Y-AR5C型
E8Y-AR2C型
E8Y-A2C型
E8Y-A5C型
E8Y-A5B型
E8Y-AR2Y型
E8Y-A2Y型
E8Y-A5Y型

511_dm_1

壓鑄連接埠(導壓部Rc (PT) 1/8)類型

E8Y-A2C-R型
E8Y-A5C-R型
E8Y-A2Y-R型
E8Y-A5Y-R型

511_dm_2

選購品(附屬)

安裝金具A

511_dm_3

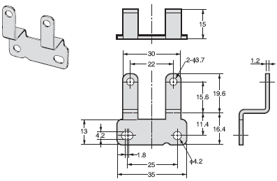
安裝金具B

511_dm_4