(單位:mm)
模組型溫度控制器
此頁記載內容是在依據停產前商品型錄內刊載的資訊,包括商品的特點 /價格 /對應規格 /選購品等,可能會和現狀有所出入。請在選購前再次確認系統的適用性及安全性。
更新日期 2018年10月9日
(單位:mm)
PFP-M型
※ E5ZN-SCT24S型隨附2個端板。
請務必將端板安裝於兩側。
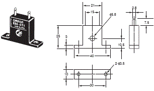
E54-CT1型
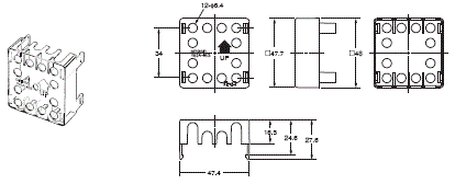
E54-CT3型
E54-CT3型附屬品

E53-COV12型
E53-COV13型


E5ZN-SDL型 *
表面連接插座
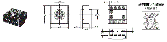
P2CF-11型(標準型)
P2CF-11-E型(手指防護型)

更新日期 2018年10月9日