Page top

2020/07 停產商品

WE70

FA無線LAN模組

WE70

高可靠度、令人安心的產品。最適合FA作業現場的無線LAN

此頁記載內容是在依據停產前商品型錄內刊載的資訊,包括商品的特點 /價格 /對應規格 /選購品等,可能會和現狀有所出入。請在選購前再次確認系統的適用性及安全性。

(單位:mm)

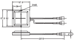
存取點(母機)

WE70-AP (-EU/-US/-CA/-CN)型

用戶端(子機)

WE70-CL (-EU/-US/-CA/-CN)型


1750_dm_1


安裝時的注意事項

為保持通風,請在本體的側面周圍保留約20mm的空間。

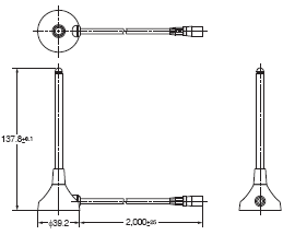
小型磁鐵基地台天線
WE70-AT001型

1750_dm_2

高靈敏度磁鐵基地台天線
WE70-AT001H型

1750_dm_3

平面多樣性天線(1支)
WT30-AT002型

1750_dm_4

鋁軌安裝金具
WT30-FT001型(TH35-7.5用)
WT30-FT002型(TH35-15用)

1750_dm_5

平面多樣性天線安裝金具(附磁鐵)
WT30-FT011型

1750_dm_6