Page top

OS32C

安全雷射掃描器

OS32C

薄型(104.5mm)且輕量(1.3kg)、設置容易的安全雷射掃描器

(單位:mm)

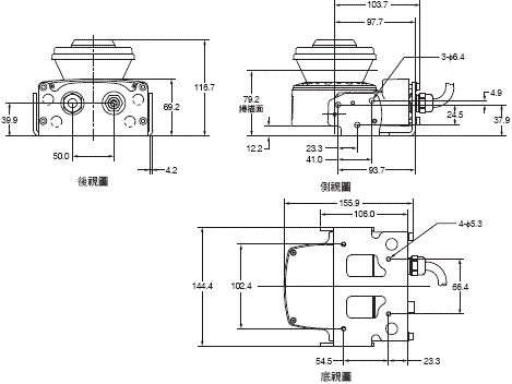
安全雷射掃描器(背面連接電線型/支援EtherNet/IP背面連接電線型)

OS32C-BP型
OS32C-BP-DM型
OS32C-BP-4M型
OS32C-BP-DM-4M型

OS32C 外觀尺寸 1

安全雷射掃描器(左側連接電線型/支援EtherNet/IP左側連接電線型)

OS32C-SP1型
OS32C-SP1-DM型
OS32C-SP1-4M型
OS32C-SP1-DM-4M型

OS32C 外觀尺寸 2

安全雷射掃描器+受光窗保護蓋

OS32C-BP型/OS32C-BP-DM型/OS32C-BP-4M型/OS32C-BP-DM-4M型+OS32C-BKT4型

OS32C 外觀尺寸 3

安全雷射掃描器+底面/側面安裝金具

OS32C-BP型/OS32C-BP-DM型/OS32C-BP-4M型/OS32C-BP-DM-4M型+OS32C-BKT1型

OS32C 外觀尺寸 4

安全雷射掃描器+簡易安裝金具

OS32C-BP型/OS32C-BP-DM型/OS32C-BP-4M型/OS32C-BP-DM-4M型+OS32C-BKT3型

OS32C 外觀尺寸 5

*為了使OS32C 型符合IEC61496-3 (4.2.16)的規範,若要將OS32C型設置在可能因振動衝擊等導致安裝位置變動的場所,請採用額外加裝鋸齒墊片等措施來固定安裝金具。

安全雷射掃描器+底面/側面安裝金具+受光窗保護蓋

OS32C-BP型/OS32C-BP-DM型/OS32C-BP-4M型/OS32C-BP-DM-4M型+OS32C-BKT1型+OS32C-BKT4型

OS32C 外觀尺寸 7

安全雷射掃描器+底面/側面安裝金具+XY軸旋轉金具

OS32C-BP型/OS32C-BP-DM型/OS32C-BP-4M型/OS32C-BP-DM-4M型+OS32C-BKT1型+OS32C-BKT2型

OS32C 外觀尺寸 8

*為了使OS32C型符合IEC61496-3 (4.2.16)的規範,若要將OS32C型設置在可能因振動衝擊等導致安裝位置變動的場所,請採用額外加裝鋸齒墊片等措施來固定安裝金具。

安全雷射掃描器+底面/側面安裝金具+XY軸旋轉金具+受光窗保護蓋

OS32C-BP型/OS32C-BP-DM型/OS32C-BP-4M型/OS32C-BP-DM-4M型+OS32C-BKT1型+OS32C-BKT2型+OS32C-BKT4型

OS32C 外觀尺寸 10

安全雷射掃描器+底面/側面安裝金具+XY軸旋轉金具+安裝腳座+安裝腳座螺絲組

OS32C-SP1型/OS32C-SP1-DM型/OS32C-BP-4M型/OS32C-BP-DM-4M型+OS32C-BKT1型+OS32C-BKT2型+OS32C-MT型+OS32C-HDT型

OS32C 外觀尺寸 11

*OS32C型的最小檢測物體直徑設為70mm時不建議使用。

電源線

OS32C-CBL-[][]M型

OS32C 外觀尺寸 13

乙太網路線

OS32C-ECBL-[][]M型

OS32C 外觀尺寸 14