(單位:mm)
智慧型光纖放大器
更新日期 2026年2月13日
(單位:mm)


E3NX-FA0型

主接頭
E3X-CN11型
E3X-CN21型
E3X-CN11型:導線φ4/3芯/標準2m(導體截面積:0.2mm2(AWG24)/絕緣體直徑:φ1.1mm
E3X-CN21型:導線φ4/4芯/標準2m(導體截面積:0.2mm2(AWG24)/絕緣體直徑:φ1.1mm
E3X-CN12型:導線φ2.6/1芯/標準2m(導體截面積:0.2mm2(AWG24)/絕緣體直徑:φ1.1mm
E3X-CN22型:導線φ 4/2芯/標準2m(導體截面積:0.2mm2(AWG24)/絕緣體直徑:φ1.1mm

材質:不鏽鋼(SUS304)
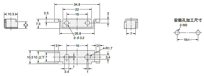
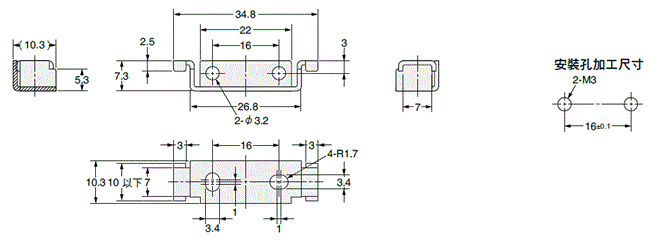
PFP-100N型
PFP-50N型
材質:鋁
PFP-100N2型
材質:鋁
PFP-M型
材質:鐵、鍍鋅
更新日期 2026年2月13日