Page top

2024/09 停產商品

V600-HA

Intelligent Flag I/II

V600-HA

An RFID system that is as easy and simple to use as a sensor. No programming required

此頁記載內容是在依據停產前商品型錄內刊載的資訊,包括商品的特點 /價格 /對應規格 /選購品等,可能會和現狀有所出入。請在選購前再次確認系統的適用性及安全性。

(單位:mm)

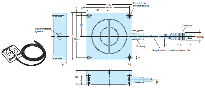
Amplifier V600-HAR91/-HAR81

V600-HA 外觀尺寸 2 V600-HAR91_Dim

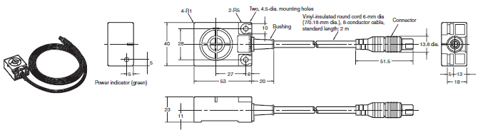
V600-HAM91/-HAM81

V600-HA 外觀尺寸 4 V600-HAM91_Dim

V600-HAR92

V600-HA 外觀尺寸 6 V600-HAR92_Dim

Sensor V600-HS51

V600-HA 外觀尺寸 8 V600-HS51_Dim

V600-HS61

V600-HA 外觀尺寸 10 V600-HS61_Dim

V600-HS63

V600-HA 外觀尺寸 12 V600-HS63_Dim

V600-HS67

V600-HA 外觀尺寸 14 V600-HS67_Dim

Interface Cable
V600-A6[]R (for V600-HAR91/-HAR81)

V600-HA 外觀尺寸 16 V600-A6[]R_Dim

V600-A6[]M (for V600-HAM91/-HAM81/-HAR92)

V600-HA 外觀尺寸 18 V600-A6[]M_Dim

V600-series Data Carrier

Built-in-battery DCs

V600-D8KR12

V600-D8KR13

V600-HA 外觀尺寸 23 V600-D8KR12_Dim
V600-HA 外觀尺寸 24 V600-D8KR13_Dim

V600-D8KR04

Replaceable-battery DCs V600-D2KR16

V600-HA 外觀尺寸 27 V600-D8KR04_Dim
V600-HA 外觀尺寸 28 V600-D2KR16_Dim

Battery-less DCs

V600-D23P53

V600-D23P54

V600-HA 外觀尺寸 32 V600-D23P53_Dim
V600-HA 外觀尺寸 33 V600-D23P54_Dim

V600-D23P55

V600-D23P61

V600-HA 外觀尺寸 36 V600-D23P55_Dim
V600-HA 外觀尺寸 37 V600-D23P61_Dim

V600-D23P66N

V600-D23P66SP

V600-HA 外觀尺寸 40 V600-D23P66N_Dim
V600-HA 外觀尺寸 41 V600-D23P66SP_Dim

V600-D23P71

V600-D23P72

V600-HA 外觀尺寸 44 V600-D23P71_Dim
V600-HA 外觀尺寸 45 V600-D23P72_Dim