(單位:mm)
漏液檢測器/附斷線檢測功能 漏液檢測器
更新日期 2024年4月9日
(單位:mm)
K7L-AT50/AT50D/AT50DP型
K7L-AT50B/AT50DB/AT50DPB型
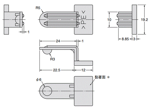
F03-20型
F03-20T型
*連接端子台之材質為尼龍66。請在不會沾到化學液體之處,使用小螺絲(M3)確實固定。
P2RF-08型(可使用圓形端子)
P2RF-08-E型
註. M3螺絲的連接底座鎖合適當扭力為0.59 ~ 0.88N・m。
*請注意K7L型之適用機型依底座類型而異。
若組合錯誤,將會造成K7L銘牌上下相反。

註. 請注意K7L型之適用機型依底座類型而異。
若組合錯誤,將會造成K7L銘牌上下相反。
F03-26PS型
更新日期 2024年4月9日