Page top

A22

按鈕開關(圓形φ22/25)

A22

φ22與φ25共用(使用φ25用環時)

部分商品將於2024年3月停產

(單位:mm)

按鈕開關(帶燈、不帶燈類型)

(所刊載的外觀尺寸以瞬時動作型為代表。)

半防護形/A22-H型/A22L-H型

A22 外觀尺寸 2

正方形凸出形/A22-C型/A22L-C型

A22 外觀尺寸 3

正方形全防護形/A22-D型/A22L-D型

A22 外觀尺寸 4

註1. 帶燈類型無論是附低功耗模組或無低功耗模組,皆與上述外觀尺寸相同。
註2. 未指定部分的尺寸公差為±0.4mm。
*交替動作型長度會多出9.3 (mm)。

選購品尺寸

銘板模組

一般型 A22Z-332□型

A22 外觀尺寸 6

大型 A22Z-333□型

A22 外觀尺寸 7

LED A22-6□、12□、24□型

A22 外觀尺寸 9

止迴環 A22Z-3360型

A22 外觀尺寸 10

φ25用套環 A22Z-R25型

A22 外觀尺寸 11

彩色蓋 A22Z-30T□型

A22 外觀尺寸 12

面板插塞(圓形) A22Z-3530型

A22 外觀尺寸 13

蓋子

A22 (圓形用) A22Z-3490型

A22 外觀尺寸 15

M22 (圓形用) A22Z-3495型

A22 外觀尺寸 16

防水蓋

平面形用 A22Z-3600F型

A22 外觀尺寸 18

凸出形用 A22Z-3600T型

A22 外觀尺寸 19

全防護形用 A22Z-3600G型

A22 外觀尺寸 20

金屬外框

平面形用/凸出形用 A22Z-3580型

A22 外觀尺寸 22

全防護形用 A22Z-3582型

A22 外觀尺寸 23

銘板

一般型用 A22Z-3443□-□型

A22 外觀尺寸 25

大型用 A22Z-3453□型

A22 外觀尺寸 26

緊急停止用

A22 外觀尺寸 27

A22Z-3476-1型(φ90)

A22 外觀尺寸 28

A22Z-3466-1型(φ60)

A22 外觀尺寸 29

字符薄膜

圓形用 A22Z-3460-□型

A22 外觀尺寸 31

正方形用 A22Z-3480型

A22 外觀尺寸 32

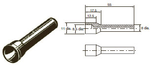
燈泡更換工具 A22Z-3901型

A22 外觀尺寸 33

鎖緊工具 A22Z-3905型

A22 外觀尺寸 34

外蓋鎖緊工具 A22Z-3908型

A22 外觀尺寸 35

φ30用樹脂附件 A22Z-A30型

A22 外觀尺寸 36

方形蓋拔除工具 A3PJ-5080型

A22 外觀尺寸 37

鎖板 A22Z-3380型

A22 外觀尺寸 38

簡易保護蓋 A22Z-3700型

A22 外觀尺寸 39

三岔隔片 A22Z-3003型

A22 外觀尺寸 40

外觀尺寸

控制盒 A22Z-B10□型

A22 外觀尺寸 42

A22Z-B101型(1孔)
A22Z-B101Y型

A22 外觀尺寸 43

 

A22Z-B102型(2孔)

A22 外觀尺寸 44

A22Z-B103型(3孔)

A22 外觀尺寸 45

(關於面板安裝孔尺寸)

A22 外觀尺寸 46

外觀尺寸

控制盒 A22Z-B20□型

A22Z-B201型(1孔)
A22Z-B201Y型

A22 外觀尺寸 48

 

A22Z-B202型(2孔)

A22 外觀尺寸 49

A22Z-B203型(3孔)

A22 外觀尺寸 50

(關於面板安裝孔尺寸)

A22 外觀尺寸 51