Page top

2017/03 停產商品

E3X-DA-S

高功能數位光纖放大器

E3X-DA-S

安定檢出的高功能光纖放大器

此頁記載內容是在依據停產前商品型錄內刊載的資訊,包括商品的特點 /價格 /對應規格 /選購品等,可能會和現狀有所出入。請在選購前再次確認系統的適用性及安全性。

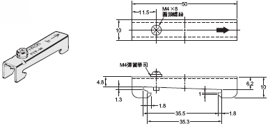
(單位:mm)

未指定尺寸公差:公差等級 IT16

光纖放大器

出線型

E3X-DA21-S型
E3X-DA51-S型
E3X-DA21R-S型
E3X-DA51R-S型
E3X-DA21F-S型
E3X-DA51F-S型
2037_dm_1
註. 使用安裝金具(E39-L143型)時,光纖放大器無法貼合安裝。

省配線接頭型

E3X-DA7-S型
E3X-DA9-S型
E3X-DA7R-S型
E3X-DA9R-S型
E3X-DA7F-S型
E3X-DA9F-S型
2037_dm_2
註. 使用安裝金具(E39-L143型)時,光纖放大器無法貼合安裝。

感測器通訊模組專用接頭型(EtheCAT/CompoNet專用)

E3X-DA0-S型
2037_dm_3

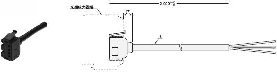
省配線接頭

主接頭

E3X-CN21型

2037_dm_4

*E3X-CN21:導線φ4/4芯標準2m(導體截面積:0.2mm2(AWG24)/絕緣體直徑:φ1.1mm)

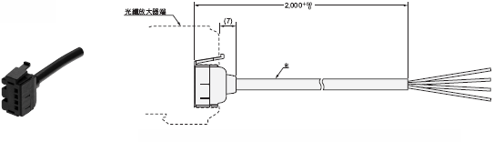
子接頭

E3X-CN22型

2037_dm_5

*E3X-CN22:導線φ4/2芯標準2m(導體截面積:0.2mm2(AWG24)/絕緣體直徑:φ1.1mm)

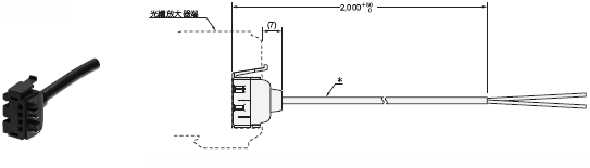
主接頭

E3X-CN11型

2037_dm_6

*導線φ4/3芯標準2m(導體截面積:0.2mm2(AWG24)/絕緣體直徑:φ1.1mm)

子接頭

E3X-CN12型

2037_dm_7

*導線φ2.6/1芯標準2m(導體截面積:0.2mm2(AWG24)/絕緣體直徑:φ1.1mm)

選購品(另售)

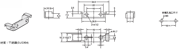
安裝金具

E39-L143型

2037_dm_8

端板

PFP-M型

2037_dm_9