Page top

PYF-[][]-PU / PTF-[][]-PU / P2RF-[][]-PU

Push-In Plus端子台底座

PYF-[][]-PU / PTF-[][]-PU / P2RF-[][]-PU

MY型繼電器、LY型繼電器、G2R-S型繼電器專用底座新增Push-In Plus端子台型產品,工時更精簡

(單位:mm)

底座

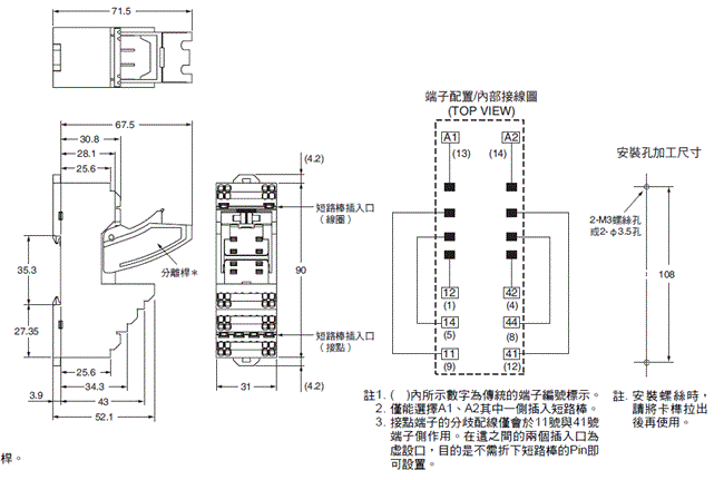
PYF-08-PU(-L)型

PYF-[][]-PU / PTF-[][]-PU / P2RF-[][]-PU 外觀尺寸 2

*PYF-08-PU-L型未配備分離桿。

PYF-14-PU(-L)型

PYF-[][]-PU / PTF-[][]-PU / P2RF-[][]-PU 外觀尺寸 3

*PYF-14-PU-L型未配備分離桿。

安裝高度

PYF-08-PU型

PYF-[][]-PU / PTF-[][]-PU / P2RF-[][]-PU 外觀尺寸 5

PYF-14-PU型

PYF-[][]-PU / PTF-[][]-PU / P2RF-[][]-PU 外觀尺寸 6

PTF-08-PU(-L)型

PYF-[][]-PU / PTF-[][]-PU / P2RF-[][]-PU 外觀尺寸 7

PTF-14-PU-L型

PYF-[][]-PU / PTF-[][]-PU / P2RF-[][]-PU 外觀尺寸 8

安裝高度

PTF-08-PU型

PYF-[][]-PU / PTF-[][]-PU / P2RF-[][]-PU 外觀尺寸 10

PTF-14-PU-L型

PYF-[][]-PU / PTF-[][]-PU / P2RF-[][]-PU 外觀尺寸 11

P2RF-05-PU型

PYF-[][]-PU / PTF-[][]-PU / P2RF-[][]-PU 外觀尺寸 12

P2RF-08-PU型

PYF-[][]-PU / PTF-[][]-PU / P2RF-[][]-PU 外觀尺寸 13

安裝高度

P2RF-05-PU型

PYF-[][]-PU / PTF-[][]-PU / P2RF-[][]-PU 外觀尺寸 15

P2RF-08-PU型

PYF-[][]-PU / PTF-[][]-PU / P2RF-[][]-PU 外觀尺寸 16

選購品(另售)

短路棒

PYDN-7.75-[][]型(7.75mm)

PYF-[][]-PU / PTF-[][]-PU / P2RF-[][]-PU 外觀尺寸 19

PYDN-31.0-080[]型(31mm)

PYF-[][]-PU / PTF-[][]-PU / P2RF-[][]-PU 外觀尺寸 20

PYDN-15.5-080[]型(15.5mm)

PYF-[][]-PU / PTF-[][]-PU / P2RF-[][]-PU 外觀尺寸 21

用途 間距 相容插座型號
極數 尺寸(L) 顏色 型號*
接點端子
(共通)排列
7.75mm PYF-[][]-PU/
P2RF-[][]-PU共通
2 15.1 紅(R)
藍(S)
黃(Y)
PYDN-7.75-020[]
3 22.85 PYDN-7.75-030[]
4 30.6 PYDN-7.75-040[]
20 154.6 PYDN-7.75-200[]
線圈端子排列 15.5mm P2RF-[][]-PU 8 115.85 PYDN-15.5-080[]
31mm PYF-[][]-PU 8 224.35 PYDN-31.0-080[]

註1. 配線時需使用相同或相鄰的底座進行跳線。
2. 將短路棒插入P2RF-□□-PU型線圈端子時,請務必使用PYDN-15.5-080□(15.5mm)型。
將短路棒插入PYF-□□-PU(-L)型線圈端子時,請務必使用PYDN-31.0-080□(31mm)型。
*型號的□內所示為被覆層顏色之對應符號。□顏色選擇:R =紅、S =藍、Y =黃