Page top

New

K3CV

IO-Link AD 轉換器

K3CV

將類比訊號轉換為 IO-Link,可有效減少控制面板與設備之間的配線

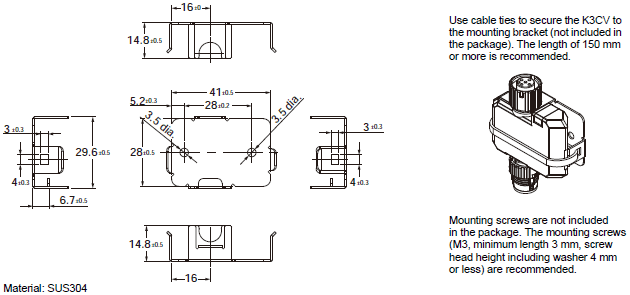
(單位:mm)

K3CV

K3CV 外觀尺寸 1

Option

Mounting Bracket

K3CV-F-1

Utilize the two screw holes to securely mount the bracket to the wall.

K3CV 外觀尺寸 4

Main Unit Fixture

K3CV-F-2

K3CV 外觀尺寸 6

Tools for M12 threaded connectors

Use them to tighten the fixture of the M12 threaded connector to the specified torque value.

Torque Wrench
XY2F-0004

K3CV 外觀尺寸 8