Page top

FHV7-AI Series

AI 判定攝影機

FHV7-AI Series

易於使用的 AI 判定攝影機,輕鬆設定檢測與簡易缺陷檢查

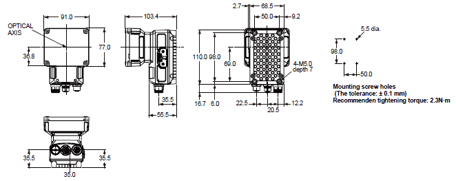
(單位:mm)

AI Detection Cameras

FHV7X-C016-S[][]-W-01

FHV7-AI Series 外觀尺寸 2

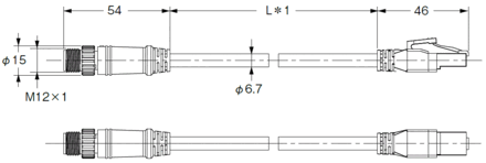
Cables

I/O cable (Bend resistant, straight)
FHV-VDB2 []M

FHV7-AI Series 外觀尺寸 4

I/O cable (Bend resistant, right angle)
FHV-VDLB2 []M

FHV7-AI Series 外觀尺寸 5

Ethernet cable (Bend resistant, straight)
FHV-VNB2 []M

FHV7-AI Series 外觀尺寸 6

Ethernet cable (Bend resistant, right angle)
FHV-VNLB2 []M

FHV7-AI Series 外觀尺寸 7

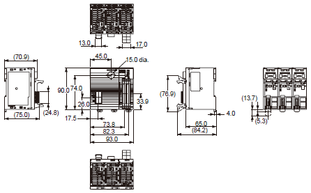
Smart Camera Data Unit

FHV-SDU10

FHV7-AI Series 外觀尺寸 9

Smart Camera Data Unit Cables

Bending Resistance Cables (Straight)
FHV-VUB2 []M

FHV7-AI Series 外觀尺寸 10

Bending Resistance Cables (Right angle)
FHV-VULB2 []M

FHV7-AI Series 外觀尺寸 11

Touch Panel Monitor

NYE2A-20F11-[][]WR1[]00

FHV7-AI Series 外觀尺寸 13