Page top

LD 系列

Autonomous Mobile Robots

LD 系列

A mobile robot series that automates material transport in factories and warehouses. Autonomously recognizes its environment and safely avoids people and obstacles. Available in three models: 60, 90, and 250 kg.

機器人相關軟體下載

點擊下載!工業機器人/移動機器人/協作機器人的各種最新公開軟體

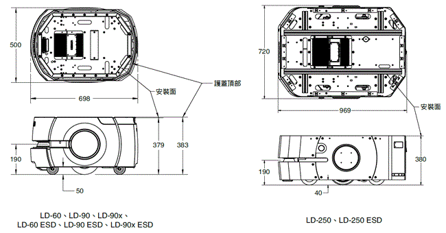
(單位:mm)

LD-60, LD-90, LD-90x, LD-60 ESD, LD-90 ESD and LD-90x ESD, LD-250, LD-250 ESD

LD Series 外觀尺寸 1

Docking Station

LD Series 外觀尺寸 2