Page top

E3T-[]-UL

Ultracompact, Ultrathin Photoelectric Sensor with Built-in Amplifier

E3T-[]-UL

The lineup has been expanded to E3T series with UL certified products

(單位:mm)

Sensors

M2-mounting Sensors

Through-beam Side-view Sensors

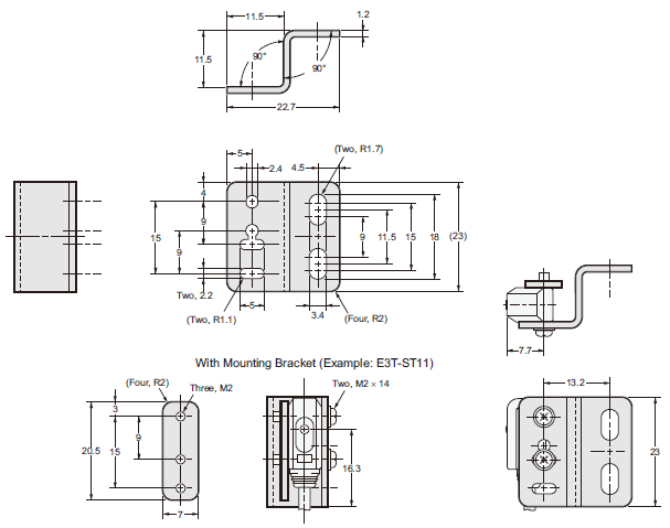
E3T-ST1[]
E3T-ST2[]
E3T-ST3[]

E3T-[]-UL 外觀尺寸 3

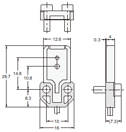
Through-beam Flat Sensors

E3T-FT1[]
E3T-FT2[]

E3T-[]-UL 外觀尺寸 4

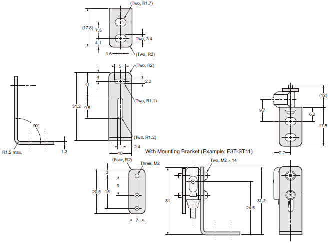
Retro-reflective Side-view Sensors

E3T-SR4[]

E3T-[]-UL 外觀尺寸 6

Diffuse-reflective Flat Sensors

E3T-FD1[]

E3T-[]-UL 外觀尺寸 8

Limited-reflective Side-view Sensors

E3T-SL1[]
E3T-SL2[]

E3T-[]-UL 外觀尺寸 9

BGS-reflective Flat Sensors

E3T-FL1[]
E3T-FL2[]

E3T-[]-UL 外觀尺寸 10

M3-mounting Sensors

Through-beam Side-view Sensors

E3T-ST1[]​M
E3T-ST2[]M

E3T-[]-UL 外觀尺寸 12

Diffuse-reflective Flat Sensors

E3T-FD1[]M

E3T-[]-UL 外觀尺寸 14

Accessories

Reflector (Provided with E3T-SR4[])

E39-R4

E3T-[]-UL 外觀尺寸 17

Material, reflective surface: acrylic
Rear surface: ABS

Reflector

E39-R37-CA

E3T-[]-UL 外觀尺寸 19

Material, Mounting plate: stainless steel (SUS301)
Reflective surface: acrylic

Accessories (Order Separately)

Tape Reflectors

E39-RS1-CA

E3T-[]-UL 外觀尺寸 22

Material: Acrylic

E39-RS2-CA

E3T-[]-UL 外觀尺寸 23

Material: Acrylic

E39-RS3-CA

E3T-[]-UL 外觀尺寸 24

Material: Acrylic

Slit for E3T-ST[][] Through-beam Sensors

E39-S63

E3T-[]-UL 外觀尺寸 26

Slit for E3T-FT[][] Through-beam Sensors

E39-S64

E3T-[]-UL 外觀尺寸 28

0.5-dia Slit for E3T-ST[][]M Through-beam Sensors

E39-S76A

E3T-[]-UL 外觀尺寸 30

1-dia Slit for E3T-ST[][]M Through-beam Sensors

E39-S76B

E3T-[]-UL 外觀尺寸 32

Sensitivity Adjustment Unit for E3T-ST1[]/ST3[] Through-beam Sensors

E39-E10

E3T-[]-UL 外觀尺寸 34

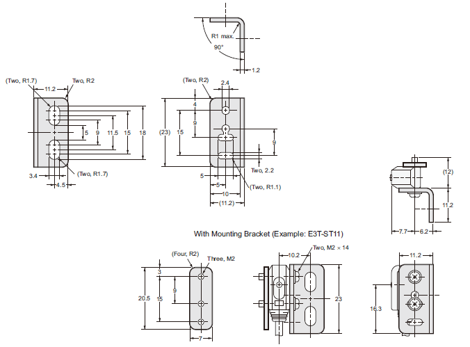
Mounting Bracket for M2-mounting Side-view Sensors

E39-L116

E3T-[]-UL 外觀尺寸 36

Material: 1.2-mm-thick stainless steel (SUS304)

Mounting Bracket for M2-mounting Side-view Sensors

E39-L117

E3T-[]-UL 外觀尺寸 38

Material: 1.2-mm-thick stainless steel (SUS304)

Mounting Bracket for M2-mounting Side-view Sensors

E39-L118

E3T-[]-UL 外觀尺寸 40

Material: 1.2-mm-thick stainless steel (SUS304)

Mounting Bracket for M2-mounting Flat Sensors

E39-L119

E3T-[]-UL 外觀尺寸 42

Material: 1.2-mm-thick stainless steel (SUS304)

Mounting Bracket for M2-mounting Flat Sensors

E39-L120

E3T-[]-UL 外觀尺寸 44

Material: 1.2-mm-thick stainless steel (SUS304)

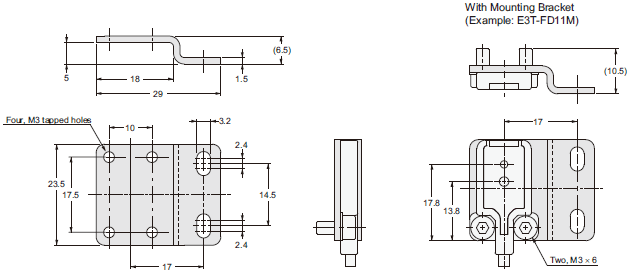
Mounting Bracket for M3-mounting Side-view Sensors

E39-L166

E3T-[]-UL 外觀尺寸 46

Material: 1.2-mm-thick stainless steel (SUS304)

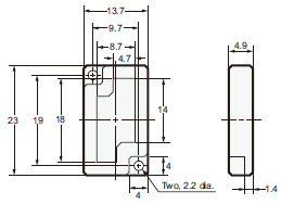
Mounting Bracket for M3-mounting Flat Sensors

E39-L167

E3T-[]-UL 外觀尺寸 48

Material: 1.5-mm-thick stainless steel (SUS304)

Back-mounting Spacer for M3-mounting Flat Sensors

E39-L168

E3T-[]-UL 外觀尺寸 50

Material: PBT (polybutylene terephthalate)

Note: Use this Spacer when mounting the Sensor from the back.