Page top

K8AK-VW

單相過電壓/低電壓監視繼電器

K8AK-VW

用於監視產業設備或裝置之電壓最合適

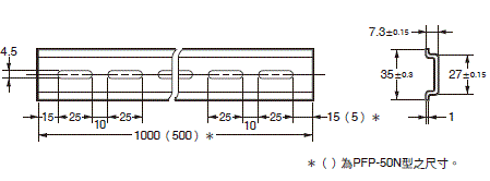
(單位:mm)

單相電壓監視繼電器

K8AK-VW2型
K8AK-VW3型
3381_dm_1

鋁軌安裝用另售配件

支撐鋁軌


PFP-100N型

PFP-50N型

3381_dm_2