Page top

S8VK-WB

Switch Mode Power Supply (240/480/960-W Models)

S8VK-WB

Even more compact three-phase 380 to 480 V input power supplies. Reduces wiring work with the Push-In Plus terminals. With a line-up that includes 24 VDC and 48 VDC models.

(單位:mm)

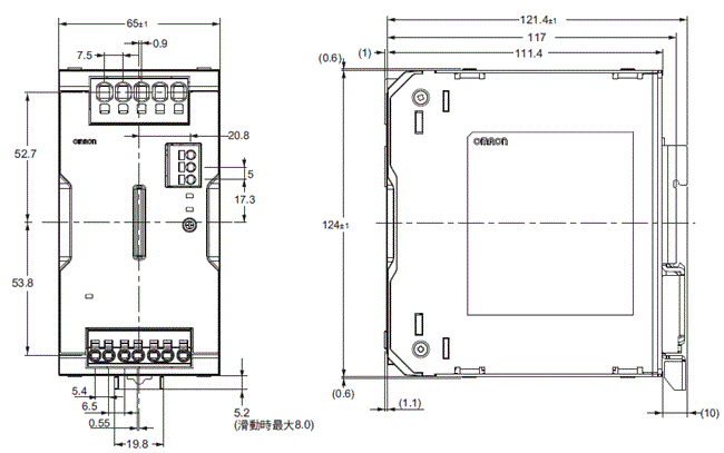
S8VK-WB240[][]

S8VK-WB 外觀尺寸 1

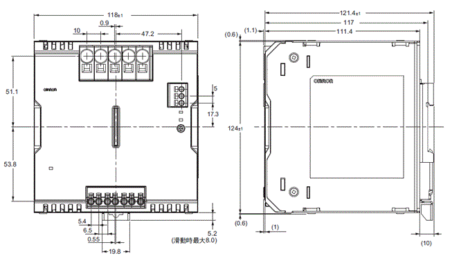
S8VK-WB480[][]

S8VK-WB 外觀尺寸 2

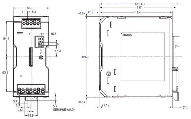
S8VK-WB960[][]

S8VK-WB 外觀尺寸 3

Mounting Brackets (Order Separately)

S8VK-WB 外觀尺寸 4

Note: The front mounting bracket can be used for front, side-by-side mounting as well.

DIN Rail Mounting (Order Separately)

End Plate

PFP-M

S8VK-WB 外觀尺寸 6

Note: If the Unit may be subjected to sliding to either side, attach an End Plate (PFP-M) on each side of the Unit.