Page top

P2RFZ / P2RF, P2R, P7TF, PYFZ / PYF, PTFZ / PTF, PYD, PT, P7LF, PF, P2CF, PFA, P3G / P3GA, PL

共用連接座

P2RFZ / P2RF, P2R, P7TF, PYFZ / PYF, PTFZ / PTF, PYD, PT, P7LF, PF, P2CF, PFA, P3G / P3GA, PL

方形連接座和圓形連接座的表面連接與背面連接型品項豐富

型號P2RF-05(-E)/-08(-E),、型號PTF08(14)A-E、型號PYC-2/-3/-5將於2023年3月停產

(單位:mm)

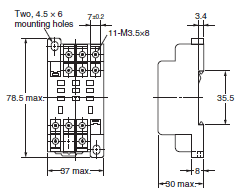
P2RF

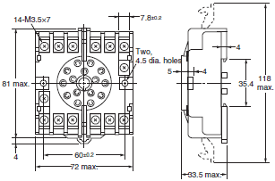
P2RFZ-05型(1極)

P2RFZ / P2RF, P2R, P7TF, PYFZ / PYF, PTFZ / PTF, PYD, PT, P7LF, PF, P2CF, PFA, P3G / P3GA, PL 外觀尺寸 2

P2RF-05型(1極)

P2RFZ / P2RF, P2R, P7TF, PYFZ / PYF, PTFZ / PTF, PYD, PT, P7LF, PF, P2CF, PFA, P3G / P3GA, PL 外觀尺寸 3

P2RFZ-05-E型(1極)
(手指保護構造)

P2RFZ / P2RF, P2R, P7TF, PYFZ / PYF, PTFZ / PTF, PYD, PT, P7LF, PF, P2CF, PFA, P3G / P3GA, PL 外觀尺寸 4

P2RF-05-E型(1極)
(手指保護構造)

P2RFZ / P2RF, P2R, P7TF, PYFZ / PYF, PTFZ / PTF, PYD, PT, P7LF, PF, P2CF, PFA, P3G / P3GA, PL 外觀尺寸 5

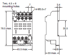
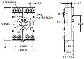
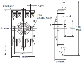
P2RFZ-08型(2極)

P2RFZ / P2RF, P2R, P7TF, PYFZ / PYF, PTFZ / PTF, PYD, PT, P7LF, PF, P2CF, PFA, P3G / P3GA, PL 外觀尺寸 6

P2RF-08型(2極)

P2RFZ / P2RF, P2R, P7TF, PYFZ / PYF, PTFZ / PTF, PYD, PT, P7LF, PF, P2CF, PFA, P3G / P3GA, PL 外觀尺寸 7

P2RFZ-08-E型(2極)
(手指保護構造)

P2RFZ / P2RF, P2R, P7TF, PYFZ / PYF, PTFZ / PTF, PYD, PT, P7LF, PF, P2CF, PFA, P3G / P3GA, PL 外觀尺寸 8

P2RF-08-E型(2極)
(手指保護構造)

P2RFZ / P2RF, P2R, P7TF, PYFZ / PYF, PTFZ / PTF, PYD, PT, P7LF, PF, P2CF, PFA, P3G / P3GA, PL 外觀尺寸 9

注. 使用I/O SSR、指示燈模組時,端子的極性為,請注意。

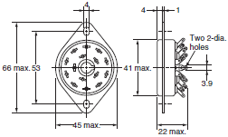
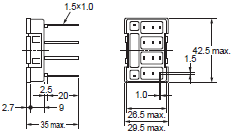
P2R

P2R-05P型(1極)

P2RFZ / P2RF, P2R, P7TF, PYFZ / PYF, PTFZ / PTF, PYD, PT, P7LF, PF, P2CF, PFA, P3G / P3GA, PL 外觀尺寸 12

P2R-08P型(2極)

P2RFZ / P2RF, P2R, P7TF, PYFZ / PYF, PTFZ / PTF, PYD, PT, P7LF, PF, P2CF, PFA, P3G / P3GA, PL 外觀尺寸 13

P2R-057P型(1極)

P2RFZ / P2RF, P2R, P7TF, PYFZ / PYF, PTFZ / PTF, PYD, PT, P7LF, PF, P2CF, PFA, P3G / P3GA, PL 外觀尺寸 14

P2R-087P型(2極)

P2RFZ / P2RF, P2R, P7TF, PYFZ / PYF, PTFZ / PTF, PYD, PT, P7LF, PF, P2CF, PFA, P3G / P3GA, PL 外觀尺寸 15

注. 使用I/O SSR、指示燈模組時,端子的極性為,請注意。

P2R-05A型(1極)

P2RFZ / P2RF, P2R, P7TF, PYFZ / PYF, PTFZ / PTF, PYD, PT, P7LF, PF, P2CF, PFA, P3G / P3GA, PL 外觀尺寸 17

P2R-08A型(2極)

P2RFZ / P2RF, P2R, P7TF, PYFZ / PYF, PTFZ / PTF, PYD, PT, P7LF, PF, P2CF, PFA, P3G / P3GA, PL 外觀尺寸 18

注. 使用I/O SSR、指示燈模組時,端子的極性為,請注意。

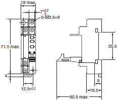
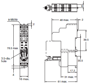
P7TF

P7TF-05型

P2RFZ / P2RF, P2R, P7TF, PYFZ / PYF, PTFZ / PTF, PYD, PT, P7LF, PF, P2CF, PFA, P3G / P3GA, PL 外觀尺寸 21

注. 使用I/O SSR、指示燈模組時,端子的極性為,請注意。

PYFZ/PYF

PYFZ-08型

P2RFZ / P2RF, P2R, P7TF, PYFZ / PYF, PTFZ / PTF, PYD, PT, P7LF, PF, P2CF, PFA, P3G / P3GA, PL 外觀尺寸 24

PYFZ-08-E型 

(手指保護構造)

P2RFZ / P2RF, P2R, P7TF, PYFZ / PYF, PTFZ / PTF, PYD, PT, P7LF, PF, P2CF, PFA, P3G / P3GA, PL 外觀尺寸 25

PYF08M型

P2RFZ / P2RF, P2R, P7TF, PYFZ / PYF, PTFZ / PTF, PYD, PT, P7LF, PF, P2CF, PFA, P3G / P3GA, PL 外觀尺寸 26

PYF11A型

P2RFZ / P2RF, P2R, P7TF, PYFZ / PYF, PTFZ / PTF, PYD, PT, P7LF, PF, P2CF, PFA, P3G / P3GA, PL 外觀尺寸 27

PYFZ-14型

P2RFZ / P2RF, P2R, P7TF, PYFZ / PYF, PTFZ / PTF, PYD, PT, P7LF, PF, P2CF, PFA, P3G / P3GA, PL 外觀尺寸 28

PYFZ-14-E型 (手指保護構造)

P2RFZ / P2RF, P2R, P7TF, PYFZ / PYF, PTFZ / PTF, PYD, PT, P7LF, PF, P2CF, PFA, P3G / P3GA, PL 外觀尺寸 29

PYFZ/PYF用短路棒

同一個連接座內跨接

PYD-020B□ (2P)

P2RFZ / P2RF, P2R, P7TF, PYFZ / PYF, PTFZ / PTF, PYD, PT, P7LF, PF, P2CF, PFA, P3G / P3GA, PL 外觀尺寸 32

PYD-030B□ (3P)

P2RFZ / P2RF, P2R, P7TF, PYFZ / PYF, PTFZ / PTF, PYD, PT, P7LF, PF, P2CF, PFA, P3G / P3GA, PL 外觀尺寸 33

*1 型號中的□內填入外皮顏色的指定記號。B (黑)、Y (黃)
*2 訂購時請指定要幾包。

PYD-025B□ (2P)

P2RFZ / P2RF, P2R, P7TF, PYFZ / PYF, PTFZ / PTF, PYD, PT, P7LF, PF, P2CF, PFA, P3G / P3GA, PL 外觀尺寸 35

PYD-085B□ (8P)

P2RFZ / P2RF, P2R, P7TF, PYFZ / PYF, PTFZ / PTF, PYD, PT, P7LF, PF, P2CF, PFA, P3G / P3GA, PL 外觀尺寸 36

PYD-026B□ (2P)

P2RFZ / P2RF, P2R, P7TF, PYFZ / PYF, PTFZ / PTF, PYD, PT, P7LF, PF, P2CF, PFA, P3G / P3GA, PL 外觀尺寸 37

PYD-086B□ (8P)

P2RFZ / P2RF, P2R, P7TF, PYFZ / PYF, PTFZ / PTF, PYD, PT, P7LF, PF, P2CF, PFA, P3G / P3GA, PL 外觀尺寸 38

PYFZ-08/PYFZ-14用端子護蓋

安裝端子護蓋時的外形尺寸

PYCZ-C08型

P2RFZ / P2RF, P2R, P7TF, PYFZ / PYF, PTFZ / PTF, PYD, PT, P7LF, PF, P2CF, PFA, P3G / P3GA, PL 外觀尺寸 40

PYCZ-C14型

P2RFZ / P2RF, P2R, P7TF, PYFZ / PYF, PTFZ / PTF, PYD, PT, P7LF, PF, P2CF, PFA, P3G / P3GA, PL 外觀尺寸 41

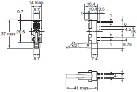
PY08型
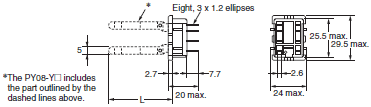
PY08-Y1型(L=42以下)
PY08-Y3型(L=60以下)

P2RFZ / P2RF, P2R, P7TF, PYFZ / PYF, PTFZ / PTF, PYD, PT, P7LF, PF, P2CF, PFA, P3G / P3GA, PL 外觀尺寸 42

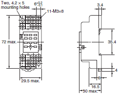
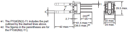
PY08QN型
PY08QN2型
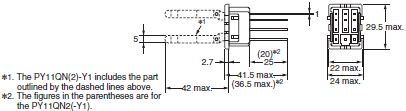
PY08QN-Y1型
PY08QN2-Y1型

P2RFZ / P2RF, P2R, P7TF, PYFZ / PYF, PTFZ / PTF, PYD, PT, P7LF, PF, P2CF, PFA, P3G / P3GA, PL 外觀尺寸 43

PY08-02型

• 非耐錫膏構造。建議採用手動焊接。

P2RFZ / P2RF, P2R, P7TF, PYFZ / PYF, PTFZ / PTF, PYD, PT, P7LF, PF, P2CF, PFA, P3G / P3GA, PL 外觀尺寸 44

PY11型
PY11-Y1型

P2RFZ / P2RF, P2R, P7TF, PYFZ / PYF, PTFZ / PTF, PYD, PT, P7LF, PF, P2CF, PFA, P3G / P3GA, PL 外觀尺寸 45

PY11QN型
PY11QN2型
PY11QN-Y1型
PY11QN2-Y1型

P2RFZ / P2RF, P2R, P7TF, PYFZ / PYF, PTFZ / PTF, PYD, PT, P7LF, PF, P2CF, PFA, P3G / P3GA, PL 外觀尺寸 46

PY11-02型
• 非耐錫膏構造。建議採用手動焊接。

P2RFZ / P2RF, P2R, P7TF, PYFZ / PYF, PTFZ / PTF, PYD, PT, P7LF, PF, P2CF, PFA, P3G / P3GA, PL 外觀尺寸 47

PY14型
PY14-Y1型(L=42以下)
PY14-Y3型(L=60以下)

P2RFZ / P2RF, P2R, P7TF, PYFZ / PYF, PTFZ / PTF, PYD, PT, P7LF, PF, P2CF, PFA, P3G / P3GA, PL 外觀尺寸 48

*PY14-Y□ 型還包含虛線部位。

PY14QN型
PY14QN2型
PY14QN-Y1型(L=42以下)
PY14QN2-Y1型(L=42以下)
PY14QN-Y3型(L=60以下)
PY14QN2-Y3型(L=60以下)

P2RFZ / P2RF, P2R, P7TF, PYFZ / PYF, PTFZ / PTF, PYD, PT, P7LF, PF, P2CF, PFA, P3G / P3GA, PL 外觀尺寸 50

PY14-02型
• 非耐錫膏構造。
建議採用手動焊接。

P2RFZ / P2RF, P2R, P7TF, PYFZ / PYF, PTFZ / PTF, PYD, PT, P7LF, PF, P2CF, PFA, P3G / P3GA, PL 外觀尺寸 51

注1. 請使用厚度為1~2mm的連接座安裝面板。
2. PY14-Y1型及PY14QN-Y1型可適用於MY4型系列、MY4H型、MYQ4 (Z)型、MY2K型。
3. PY14-Y3型及PY14QN-Y3型可適用於H3Y型(計時器)。

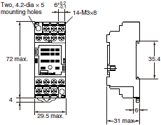
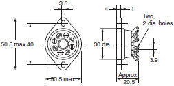
PTF

PTF08A型

P2RFZ / P2RF, P2R, P7TF, PYFZ / PYF, PTFZ / PTF, PYD, PT, P7LF, PF, P2CF, PFA, P3G / P3GA, PL 外觀尺寸 54

PTFZ-08-E型(手指保護構造)

P2RFZ / P2RF, P2R, P7TF, PYFZ / PYF, PTFZ / PTF, PYD, PT, P7LF, PF, P2CF, PFA, P3G / P3GA, PL 外觀尺寸 55

PTF08A-E型(手指保護構造)

P2RFZ / P2RF, P2R, P7TF, PYFZ / PYF, PTFZ / PTF, PYD, PT, P7LF, PF, P2CF, PFA, P3G / P3GA, PL 外觀尺寸 56

PTF11A型

P2RFZ / P2RF, P2R, P7TF, PYFZ / PYF, PTFZ / PTF, PYD, PT, P7LF, PF, P2CF, PFA, P3G / P3GA, PL 外觀尺寸 57

PTF14A型

P2RFZ / P2RF, P2R, P7TF, PYFZ / PYF, PTFZ / PTF, PYD, PT, P7LF, PF, P2CF, PFA, P3G / P3GA, PL 外觀尺寸 58

PTFZ-14-E型(手指保護構造)

P2RFZ / P2RF, P2R, P7TF, PYFZ / PYF, PTFZ / PTF, PYD, PT, P7LF, PF, P2CF, PFA, P3G / P3GA, PL 外觀尺寸 59

PTF14A-E型(手指保護構造)

P2RFZ / P2RF, P2R, P7TF, PYFZ / PYF, PTFZ / PTF, PYD, PT, P7LF, PF, P2CF, PFA, P3G / P3GA, PL 外觀尺寸 60

注. 將PTF08A型、PTF08A-E型、PT08型與LY1型的繼電器搭配使用時,
請讓端子No.-間、-間、-間分別形成短路。(使用10A以上時)

PT

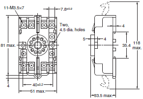
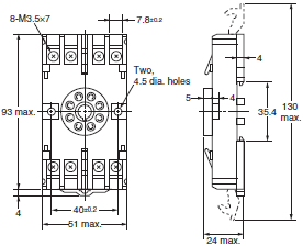
PT08型

P2RFZ / P2RF, P2R, P7TF, PYFZ / PYF, PTFZ / PTF, PYD, PT, P7LF, PF, P2CF, PFA, P3G / P3GA, PL 外觀尺寸 63

PT08QN型

P2RFZ / P2RF, P2R, P7TF, PYFZ / PYF, PTFZ / PTF, PYD, PT, P7LF, PF, P2CF, PFA, P3G / P3GA, PL 外觀尺寸 64

PT08-0型

P2RFZ / P2RF, P2R, P7TF, PYFZ / PYF, PTFZ / PTF, PYD, PT, P7LF, PF, P2CF, PFA, P3G / P3GA, PL 外觀尺寸 65

PT11型

P2RFZ / P2RF, P2R, P7TF, PYFZ / PYF, PTFZ / PTF, PYD, PT, P7LF, PF, P2CF, PFA, P3G / P3GA, PL 外觀尺寸 66

PT11QN型

P2RFZ / P2RF, P2R, P7TF, PYFZ / PYF, PTFZ / PTF, PYD, PT, P7LF, PF, P2CF, PFA, P3G / P3GA, PL 外觀尺寸 67

PT11-0型

P2RFZ / P2RF, P2R, P7TF, PYFZ / PYF, PTFZ / PTF, PYD, PT, P7LF, PF, P2CF, PFA, P3G / P3GA, PL 外觀尺寸 68

PT14型

P2RFZ / P2RF, P2R, P7TF, PYFZ / PYF, PTFZ / PTF, PYD, PT, P7LF, PF, P2CF, PFA, P3G / P3GA, PL 外觀尺寸 69

PT14QN型

P2RFZ / P2RF, P2R, P7TF, PYFZ / PYF, PTFZ / PTF, PYD, PT, P7LF, PF, P2CF, PFA, P3G / P3GA, PL 外觀尺寸 70

PT14-0型

P2RFZ / P2RF, P2R, P7TF, PYFZ / PYF, PTFZ / PTF, PYD, PT, P7LF, PF, P2CF, PFA, P3G / P3GA, PL 外觀尺寸 71

注. 請使用厚度為1~2mm的連接座安裝面板。

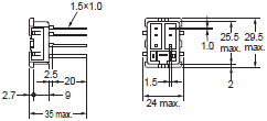
P7LF

P7LF-06型

P2RFZ / P2RF, P2R, P7TF, PYFZ / PYF, PTFZ / PTF, PYD, PT, P7LF, PF, P2CF, PFA, P3G / P3GA, PL 外觀尺寸 74

PF

PF083A型

P2RFZ / P2RF, P2R, P7TF, PYFZ / PYF, PTFZ / PTF, PYD, PT, P7LF, PF, P2CF, PFA, P3G / P3GA, PL 外觀尺寸 76

PF083A-E型

P2RFZ / P2RF, P2R, P7TF, PYFZ / PYF, PTFZ / PTF, PYD, PT, P7LF, PF, P2CF, PFA, P3G / P3GA, PL 外觀尺寸 77

PF085A型

P2RFZ / P2RF, P2R, P7TF, PYFZ / PYF, PTFZ / PTF, PYD, PT, P7LF, PF, P2CF, PFA, P3G / P3GA, PL 外觀尺寸 78

PF113A型

P2RFZ / P2RF, P2R, P7TF, PYFZ / PYF, PTFZ / PTF, PYD, PT, P7LF, PF, P2CF, PFA, P3G / P3GA, PL 外觀尺寸 79

PF113A-E型

P2RFZ / P2RF, P2R, P7TF, PYFZ / PYF, PTFZ / PTF, PYD, PT, P7LF, PF, P2CF, PFA, P3G / P3GA, PL 外觀尺寸 80

注1. PF083A型、PF113A型的連接座卡榫溝槽在上側。(適用機種 MK型)
2. -E型為手指保護構造。無法使用圓形端子。請使用Y形等端子。

P2CF

P2CF-08型

P2RFZ / P2RF, P2R, P7TF, PYFZ / PYF, PTFZ / PTF, PYD, PT, P7LF, PF, P2CF, PFA, P3G / P3GA, PL 外觀尺寸 83

P2CF-08-E型

P2RFZ / P2RF, P2R, P7TF, PYFZ / PYF, PTFZ / PTF, PYD, PT, P7LF, PF, P2CF, PFA, P3G / P3GA, PL 外觀尺寸 84

P2CF-11型

P2RFZ / P2RF, P2R, P7TF, PYFZ / PYF, PTFZ / PTF, PYD, PT, P7LF, PF, P2CF, PFA, P3G / P3GA, PL 外觀尺寸 85

P2CF-11-E型

P2RFZ / P2RF, P2R, P7TF, PYFZ / PYF, PTFZ / PTF, PYD, PT, P7LF, PF, P2CF, PFA, P3G / P3GA, PL 外觀尺寸 86

PFA

8PFA型

P2RFZ / P2RF, P2R, P7TF, PYFZ / PYF, PTFZ / PTF, PYD, PT, P7LF, PF, P2CF, PFA, P3G / P3GA, PL 外觀尺寸 88

8PFA1型

P2RFZ / P2RF, P2R, P7TF, PYFZ / PYF, PTFZ / PTF, PYD, PT, P7LF, PF, P2CF, PFA, P3G / P3GA, PL 外觀尺寸 89

11PFA型

P2RFZ / P2RF, P2R, P7TF, PYFZ / PYF, PTFZ / PTF, PYD, PT, P7LF, PF, P2CF, PFA, P3G / P3GA, PL 外觀尺寸 90

14PFA型

P2RFZ / P2RF, P2R, P7TF, PYFZ / PYF, PTFZ / PTF, PYD, PT, P7LF, PF, P2CF, PFA, P3G / P3GA, PL 外觀尺寸 91

P3G/P3GA

P3G-08型

P2RFZ / P2RF, P2R, P7TF, PYFZ / PYF, PTFZ / PTF, PYD, PT, P7LF, PF, P2CF, PFA, P3G / P3GA, PL 外觀尺寸 93

P3GA-11型

P2RFZ / P2RF, P2R, P7TF, PYFZ / PYF, PTFZ / PTF, PYD, PT, P7LF, PF, P2CF, PFA, P3G / P3GA, PL 外觀尺寸 94

端子護蓋

Y92A-48G型

P2RFZ / P2RF, P2R, P7TF, PYFZ / PYF, PTFZ / PTF, PYD, PT, P7LF, PF, P2CF, PFA, P3G / P3GA, PL 外觀尺寸 96

PL

PL08

P2RFZ / P2RF, P2R, P7TF, PYFZ / PYF, PTFZ / PTF, PYD, PT, P7LF, PF, P2CF, PFA, P3G / P3GA, PL 外觀尺寸 98

PL08-Q

P2RFZ / P2RF, P2R, P7TF, PYFZ / PYF, PTFZ / PTF, PYD, PT, P7LF, PF, P2CF, PFA, P3G / P3GA, PL 外觀尺寸 99

PLE08-0

P2RFZ / P2RF, P2R, P7TF, PYFZ / PYF, PTFZ / PTF, PYD, PT, P7LF, PF, P2CF, PFA, P3G / P3GA, PL 外觀尺寸 100

PL11

P2RFZ / P2RF, P2R, P7TF, PYFZ / PYF, PTFZ / PTF, PYD, PT, P7LF, PF, P2CF, PFA, P3G / P3GA, PL 外觀尺寸 101

PL11-Q

P2RFZ / P2RF, P2R, P7TF, PYFZ / PYF, PTFZ / PTF, PYD, PT, P7LF, PF, P2CF, PFA, P3G / P3GA, PL 外觀尺寸 102

PLE11-0

P2RFZ / P2RF, P2R, P7TF, PYFZ / PYF, PTFZ / PTF, PYD, PT, P7LF, PF, P2CF, PFA, P3G / P3GA, PL 外觀尺寸 103

PL15型

P2RFZ / P2RF, P2R, P7TF, PYFZ / PYF, PTFZ / PTF, PYD, PT, P7LF, PF, P2CF, PFA, P3G / P3GA, PL 外觀尺寸 104

PL20型

P2RFZ / P2RF, P2R, P7TF, PYFZ / PYF, PTFZ / PTF, PYD, PT, P7LF, PF, P2CF, PFA, P3G / P3GA, PL 外觀尺寸 105

注. 安裝時請注意適用機種的卡榫溝槽方向。