Page top

New

E3AS-HF Series

TOF Laser Sensor with Built-in Amplifier

E3AS-HF Series

With a wide detection range (0.05 to 6 meters) and excellent angular characteristics (±85° max.), it can detect low-reflective workpieces, such as black ones, even when installed at a distance from the workpiece.

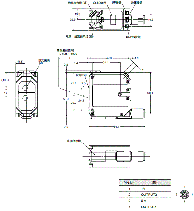
(單位:mm)

Sensors

Pre-wired Models/Pre-wired Connector Models

E3AS-HF6000[] (-M1TJ)

E3AS-HF Series 外觀尺寸 3

M12 Connector (horizontal)

E3AS-HF6000[] M1H

E3AS-HF Series 外觀尺寸 5

M12 Connector (vertical)

E3AS-HF6000[] M1V

E3AS-HF Series 外觀尺寸 7

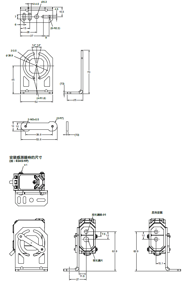
Accessories (Sold Separately)

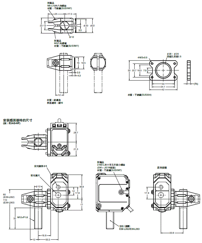
Mounting Brackets

E39-L245

E3AS-HF Series 外觀尺寸 10

Material: Stainless steel (SUS304)

*1. Accessories
      2-M3-L35 Cross Recessed Pan Head Screws (Attached to SW+JIS W)
      Material: Stainless steel (SUSXM7)

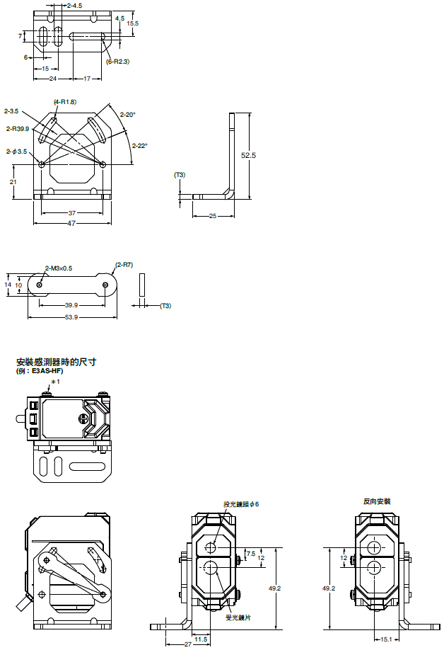
E39-L255

E3AS-HF Series 外觀尺寸 11

Material: Stainless steel (SUS304)

*1. Accessories
      2-M3-L35 Cross Recessed Pan Head Screws (Attached to SW+JIS W)
      Material: Stainless steel (SUSXM7)

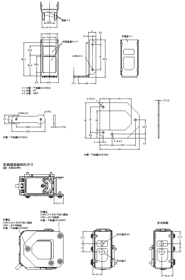
Flexible Mounting Bracket

E39-L264

E3AS-HF Series 外觀尺寸 13

Post

50 mm
E39-L262

E3AS-HF Series 外觀尺寸 15

Material: Stainless steel (SUS304)

100 mm
E39-L263

E3AS-HF Series 外觀尺寸 17

Material: Stainless steel (SUS304)

Air Blow Unit

E39-E17

E3AS-HF Series 外觀尺寸 20

Front Protection Cover

E39-E20

E3AS-HF Series 外觀尺寸 22