Page top

E5CS

數位溫度控制器

E5CS

DIN48×48mm尺寸操作簡易,插入式(Plug-In)溫度控制器

(單位:mm)

本體

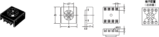
E5CS-U型

166_dm_1

E5CS-U型+嵌入安裝轉接頭(附屬品)+背面連接插座(另售)
(無警報)

E5CS 外觀尺寸 3

E5CS-U型+嵌入安裝轉接頭(附屬品)+背面連接插座(另售)
(附警報)

E5CS 外觀尺寸 4

※ 無警報型的連接插座請使用P2CF-08型、P3G-08型,有警報型的連接插座請使用P2CF-11型、P3GA-11型。

選購品(另售)

無警報型(8 PIN型)插座

P2CF-08型/表面連接插座

E5CS 外觀尺寸 7

P3G-08型/背面連接插座

E5CS 外觀尺寸 8

有警報型(11 PIN型)插座

P2CF-11型/表面連接插座

E5CS 外觀尺寸 10

P3GA-11型/背面連接插座

E5CS 外觀尺寸 11

※ 其他類型的插座會影響精度,故請勿使用。

適用熱敏電阻

連接E5CS-GU型的溫度感測器,請使用元件互換型熱敏電阻(E52-THE5A型、E52-THE6D型、E52-THE6F型)。

硬式保護套

Y92A-48B型備有(硬式)保護套。請用於以下情形。
・保護設定部避免積垢、積塵。
・防止因誤觸而導致設定值產生偏差。
・亦可有效防止水滴。

E5CS 外觀尺寸 13