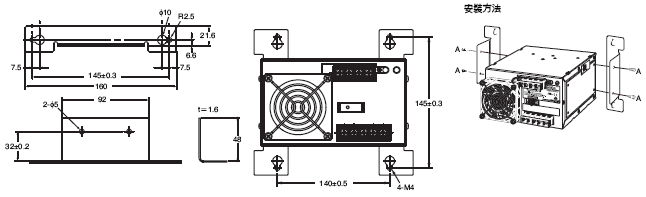
(單位:mm)
電源供應器
更新日期 2019年4月11日
(單位:mm)








50W/100W/150W型用(附屬品)

更新日期 2019年4月11日